Switra watesan layang kaping pindho kaping pindho minangka komponèn kontrol kanthi otomatis sing dipicu kanthi gerakan mekanik. Fungsi inti yaiku ndeteksi pamindahan utawa stroke obyek kanggo entuk siraman lan nutup sirkuit, wiwitan lan mandheg peralatan, utawa watesan watesan. Iki minangka panglima tumindak sing penting 'lan' tumindak 'sing penting' ing automation industri lan peralatan elektromekanik.
Ngalih IntrodUction
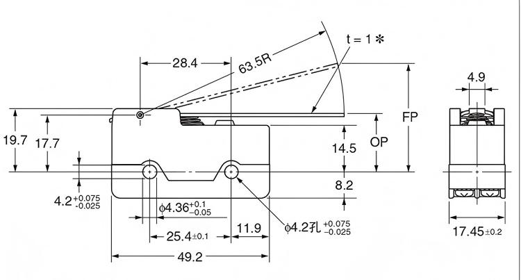
Ngalih lelungan (uga dikenal minangka switch watesan) minangka komponen kontrol kanthi otomatis sing dipicu kanthi gerakan mekanik. Fungsi inti yaiku ndeteksi pamindahan utawa stroke obyek kanggo entuk siraman lan nutup sirkuit, wiwitan lan mandheg peralatan, utawa watesan watesan. Iki minangka panglima tumindak sing penting 'lan' tumindak 'sing penting' ing automation industri lan peralatan elektromekanik.
Ngalih Application
Ing kren, elan, lan ngangkat platform, watesan switch minangka komponen safety kritis:
Gagang elevator:Ngalih watesan ndhuwur lan ngisor dipasang ing sisih ndhuwur lan ngisor gagang elevator. Yen lift ilang kontrol lan lelungan, ngalih micu kanggo melu rem darurat, nyegah mobil saka nabrak ing ndhuwur (sumur) saka batang.
Crane pancing:Ngalih watesan dipasang ing posisi watesan ndhuwur saka path pancing. Nalika pancing nyedhaki jembatan krenjang, saklar diaktifake kanggo ngethok kekuwatan menyang motor hoisting, mula ngindhari tabrakan lan ngrusak peralatan.
Ngalih Rincian
