Minangka karya klasik Yueqing Tongda ing bidang saklar mikro, Weipeng Three-Legged Mouse karo Handle Micro Switch nduweni kaluwihan inti saka 'struktur miniatur, umur ultra-panjang, lan pemicu sing tepat,' lan dirancang khusus kanggo piranti interaksi manungsa-komputer kayata mouse lan keyboard, uga aplikasi kontrol elektronik cilik.
Micro Switch Pambuka
Minangka karya klasik Yueqing Tongda ing bidang switch miniatur, switch mouse HK-10 nduweni kaluwihan inti saka 'struktur miniatur, umur ultra-dawa, lan aktuasi sing tepat,' sing dirancang khusus kanggo piranti interaksi manungsa-komputer kayata mouse lan keyboard, uga aplikasi kontrol elektronik cilik. Nggabungake liwat telung puluh taun keahlian manufaktur switch lan teknologi paten, produk iki wis dadi komponen kontrol tombol ing elektronik konsumen, kontrol industri, lan piranti pinter, thanks kanggo kacepetan respon tingkat milidetik sawijining, kekiatan saka puluhan yuta siklus, lan kompatibilitas sudhut. Wis suwe nyedhiyakake layanan dhukungan kanggo merek elektronik sing kondhang ing domestik lan internasional.
Inti kompatibel karo clurut kabel, clurut nirkabel, pengontrol game, keyboard mechanical, lan piranti interaksi manungsa-komputer liyane, nambah responsif operasi lan nambah pengalaman tactile. Kanthi umur puluhan yuta siklus, nyuda tarif ndandani produk. Sawise ditrapake dening merek periferal sing kondhang, tingkat kegagalan sawise adol produk sing gegandhengan mudhun 60%.
Digunakake kanggo panel tutul industri, tombol kontrol cilik, kontrol mikro-gerak ing peralatan automation, etc. Rating pangayoman IP40 sawijining bisa nolak bledug workshop, lan kinerja suhu sudhut adapts kanggo variasi suhu ing lingkungan industri, njupuk operasi stabil ing skenario kayata kontrol baris perakitan lan peralatan debugging.
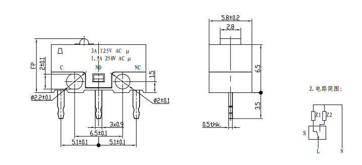
Parameter Micro Switch (Spesifikasi)
| ITEM | Parameter Teknis Utama |
| 1 | Rating Listrik: 1A/3A 250VAC |
| 2 | Umur listrik: Min.10000 siklus |
| 3 | Resistansi kontak: <50mΩ |
| 4 | Daya operasi: 70±20gf |
| 5 | Posisi bebas: 7.3±0.2mm |
| 6 | Posisi operasi: 7.0 ± 0.2mm |
| 7 | Suhu sekitar: T85 ° |
| 8 | Tegangan tahan: Antarane terminal lan terminal 500V / 5S / 5mA; |
| Antarane terminal lan cilik 1500/5S/5mA | |
| 9 | Resistansi Isolasi:> 100MΩ Tes Tegangan 500VDC |
| 10 | Indeks Pelacakan Bukti PTI: 175V |
Detail Ngalih Mikro
