Minangka profesional Awet Micro Ngalih karo Pencet-Fit lan Soldering Tab perusahaan karo 35 taun pengalaman ing Manufaktur ngalih, Yueqing Tongda Wire Electric Factory pusat ing 'customization dikarepake-mimpin, teknologi njamin safety' lan, ngarahke ing produk utama kayata Rocker Ngalih, Red Button Pushes, Micro Ngalih NO / NC, lan Push Button NCs, kanggo macem-macem saklar medis, nyedhiyakake macem-macem saklar lan peralatan medis, nyedhiyakake macem-macem saklar lan peralatan medis. sektor. Kanthi inovasi teknologi lan kontrol kualitas sing ketat, wis dadi pathokan ing bidang switch khusus.
Micro Switch Pambuka

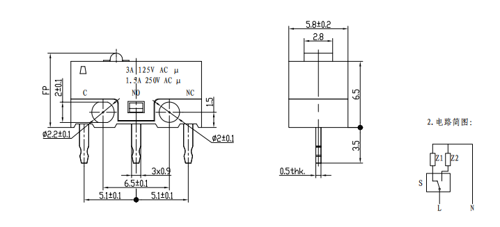
Parameter Micro Switch (Spesifikasi)
| ITEM | Parameter Teknis Utama |
| 1 | Rating Listrik: 3A 250VAC |
| 2 | Umur listrik: Min.10000 siklus |
| 3 | Resistansi kontak: <50mΩ |
| 4 | Daya operasi: 70±20gf |
| 5 | Posisi bebas: 7.3±0.2mm |
| 6 | Posisi operasi: 7.0 ± 0.2mm |
| 7 | Suhu sekitar: T85 ° |
| 8 | Tegangan tahan: Antarane terminal lan terminal 500V / 5S / 5mA; |
| Antarane terminal lan cilik 1500/5S/5mA | |
| 9 | Resistansi Isolasi:> 100MΩ Tes Tegangan 500VDC |
| 10 | Indeks Pelacakan Bukti PTI: 175V |
Detail Ngalih Mikro
