LS LIMIT STROKE LAMPIRAN TINGGI KOLEKTION minangka komponen kontrol kanthi otomatis sing dipicu dening gerakan mekanik. Fungsi inti yaiku ndeteksi pamindahan utawa stroke obyek kanggo entuk siraman lan nutup sirkuit, wiwitan lan mandheg peralatan, utawa watesan watesan. Iki minangka panglima tumindak sing penting 'lan' tumindak 'sing penting' ing automation industri lan peralatan elektromekanik.
Ngalih IntrodUction
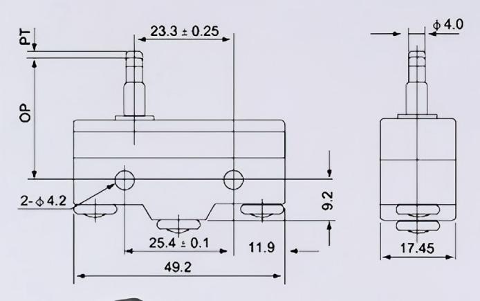
Ngalih lelungan (uga dikenal minangka switch watesan) minangka komponen kontrol kanthi otomatis sing dipicu kanthi gerakan mekanik. Fungsi inti yaiku ndeteksi pamindahan utawa stroke obyek kanggo entuk siraman lan nutup sirkuit, wiwitan lan mandheg peralatan, utawa watesan watesan. Iki minangka panglima tumindak sing penting 'lan' tumindak 'sing penting' ing automation industri lan peralatan elektromekanik.
Ngalih Application
Sistem Sabuk Conveyor: Wates switch dipasang ing wiwitan / pungkasan conveyor. Yen bahan kerja diangkut menyang posisi sing wis ditemtokake, saklar kasebut dipicu kanggo ngaso conveyor, koordinasi karo lengen robot kanggo nindakake tumindak sing apik lan ngurutake tumindak.
Garis Majelis: digunakake kanggo ndeteksi apa bahan kerja ana ing posisi sing bener. Contone, ing baris pemasangan peralatan ing omah, nalika Shell Outer pindhah menyang stasiun kenceng skru, pemicu pemicu wiwitan mesin wiwitan, njamin koordinasi sing tepat ing antarane langkah-langkah proses.
Ngalih Rincian
