Minangka model pathokan saka seri saklar mikro Yueqing Tongda Wire Electric Factory, Ngalih Mikro Reset Otomatis Biasane Bukak kanggo Kulkas lan Dolanan Listrik nduweni fitur "sensitivitas dhuwur, umur ultra-dawa, lan adaptasi multi-skenario" minangka kaluwihan inti. Nggabungake keahlian manufaktur switch 35 taun perusahaan, wis dadi komponen kontrol utama ing peralatan rumah tangga, elektronik otomotif, otomatisasi industri, lan lapangan liyane, amarga kesenjangan kontak minimal lan mekanisme aksi sing cepet. Kinerja lan linuwih wis disertifikasi dening pirang-pirang organisasi berwibawa ing saindenging jagad, ngamanake posisi utama ing pasar niche.
Micro Switch Pambuka
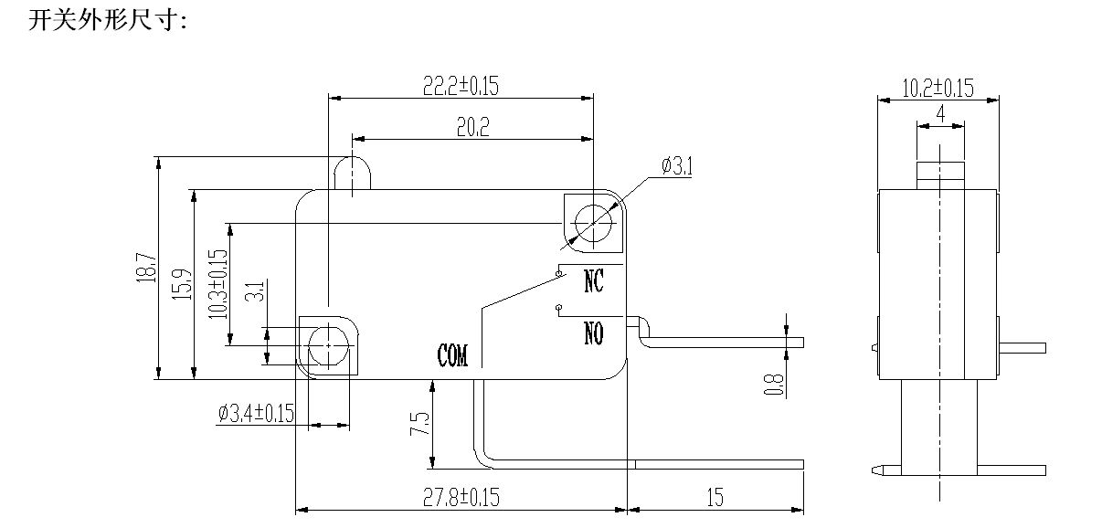
Seri HK-14 nawakake pilihan kustomisasi sing fleksibel banget kanggo nyukupi syarat aplikasi sing beda. Pasukan operasi bisa disesuaikan (kurang saka 5,0 N ing negara bebas pengungkit, standar 30±15 gf), kanthi kisaran stroke operasi 0,6-1,5 mm, cocok kanggo macem-macem gaya pemicu lan skenario pamindahan. Gaya tuas bisa disesuaikan, kalebu tuas lurus, bengkok, lan roller, sing bisa cocog karo macem-macem struktur transmisi mekanik. Formulir kontak nyakup macem-macem SPDT (1NO 1NC), NO, lan NC.
Parameter Micro Switch (Spesifikasi)
| Saklar Karakteristik Teknis: | |||
| ITEM | Parameter teknis | Nilai | |
| 1 | Rating Listrik | 5(2)A/10A/16(3)A/21(8)A 250VAC | |
| 2 | Kontak Resistance | ≤30mΩ Nilai wiwitan | |
| 3 | Ketahanan Isolasi | ≥100MΩ (500VDC) | |
| 4 |
Dielektrik Tegangan |
antarane terminal sing ora nyambung |
1000V / 0.5mA / 60S |
|
Antarane terminal lan pigura logam |
3000V / 0.5mA / 60S | ||
| 5 | Urip Listrik | ≥50000 siklus | |
| 6 | Urip Mekanik | ≥1000000 siklus | |
| 7 | Suhu operasi | -25~125 ℃ | |
| 8 | Frekuensi operasi |
listrik: 15 siklus Mekanik: 60 siklus |
|
| 9 | Bukti Getaran |
Frekuensi geter: 10 ~ 55HZ; Amplitudo: 1.5mm; Telung arah: 1H |
|
| 10 |
Kemampuan Solder: Luwih saka 80% bagean sing dicemplungake kudu ditutupi karo solder |
Suhu solder: 235 ± 5 ℃ Wektu nyemplungaken: 2~3S |
|
| 11 | Tahan Panas Solder |
Dip Solder: 260 ± 5 ℃ 5 ± 1S Manual Solder: 300±5 ℃ 2 ~ 3S |
|
| 12 | Persetujuan Safety | UL, CSA, VDE, ENEC, TUV, CE, KC, CQC | |
| 13 | Syarat Test |
Suhu sekitar: 20 ± 5 ℃ Kelembapan relatif: 65±5% RH Tekanan Udara: 86 ~ 106 KPa |
|
Micro Ngalih Fitur lan Aplikasi
Detail Ngalih Mikro
