Minangka ngalih mikro inti dikembangaké dening Yueqing Tongda kanggo skenario kontrol tliti umum-tujuan, PCB Terminal Button Micro Ngalih seri dipanggonke watara 'desain kompak lan cepet, pemicu tepat.' Kanthi pengalaman 38 taun ing manufaktur saklar mikro, nggabungake respon sensitif, umur dawa, lan kemampuan adaptasi sing wiyar, dadi komponen kunci kanggo kontrol sirkuit ing elektronik konsumen, kontrol industri, piranti omah sing cerdas, lan liya-liyane, nyedhiyakake deteksi lelungan sing dipercaya lan solusi on/off fungsional kanggo peralatan.
Micro Switch Pambuka
Minangka saklar mikro inti sing dikembangake dening Yueqing Tongda kanggo skenario kontrol presisi umum, seri HK-20 dipanggonke ing 'desain kompak lan pemicu sing cepet lan tepat.' Kanthi pengalaman 38 taun ing manufaktur saklar mikro, nggabungake respon sensitif, umur dawa, lan kemampuan adaptasi sing wiyar, dadi komponen kunci kanggo kontrol sirkuit ing elektronik konsumen, kontrol industri, piranti omah sing cerdas, lan liya-liyane, nyedhiyakake deteksi lelungan sing dipercaya lan solusi on/off fungsional kanggo peralatan.
Nggunakake mekanisme pemicu cepet sworo seru sing dipatenake, wektu respon pemicu yaiku ≤8ms, ningkatake kinerja kanthi 25% dibandhingake karo switch mikro tradisional. Perjalanan pemicu dikontrol kanthi tepat antarane 0.3-1.0mm, kanthi kisaran gaya operasi 1.5-4N. Umpan balik sing dipencet cetha lan asri, tanpa nempel utawa muter gratis, ngidini kontrol sing tepat saka 'tutul cahya kanggo nyambung, ngeculake kanggo break,' cocog banget kanggo skenario sing mbutuhake sensitivitas pemicu sing dhuwur. Kontak digawe saka alloy perak-timah kemurnian dhuwur lan diproses kanthi welding titik sing tepat, kanthi resistensi kontak awal ≤30mΩ. Beban sing dirating ndhukung 1A / 250V AC lan 3A / 125V AC, kanthi efektif nyegah pemanasan kontak utawa kobong nalika arus liwat.
Adaptasi kanggo tombol fungsi lan deteksi lelungan printer portabel, headset Bluetooth, lan piranti sing bisa dianggo pinter. Ukuran miniatur cocog banget karo desain piranti sing kompak, lan aktivasi sensitif nambah pengalaman operasi pangguna. Sawise ditrapake dening merek elektronik konsumen sing kondhang, tingkat perbaikan gagal tombol produk mudhun 60%.
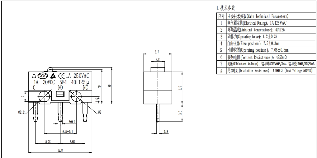
Parameter Micro Switch (Spesifikasi)
| ITEM | Parameter Teknis Utama |
| 1 | Rating listrik: 1A/3A 250VAC |
| 2 | Umur listrik: Min.10000 siklus |
| 3 | Resistansi kontak: <50mΩ |
| 4 | Daya operasi: 70±20gf |
| 5 | Posisi bebas: 7.3±0.2mm |
| 6 | Posisi operasi: 7.0 ± 0.2mm |
| 7 | Suhu sekitar: T85 ° |
| 8 | Tegangan tahan: Antarane terminal lan terminal 500V / 5S / 5mA; |
| Antarane terminal lan cilik 1500/5S/5mA | |
| 9 | Resistansi Isolasi:> 100MΩ Tes Tegangan 500VDC |
| 10 | Indeks Pelacakan Bukti PTI: 175V |
Detail Ngalih Mikro
