Tancepake ngalih mikro Type Column ing bagean otomatis duwe interval kontak cilik lan mekanisme aksen cepet, lan mekanisme kontak kanggo ngaktifake cangkang, lan ana transmisi ing njaba, lan bentuk kasebut sithik.
Produk IntrodUction
Ngalih mikro push-to-push minangka komponen elektronik sing digunakake kanggo ngontrol negara ing sirkuit. Biasane kasusun saka tombol lan saklar sing ngganti negara nalika tombol dipencet.
Tombol push switch bisa nggunakake efek blink, nalika tombol dipencet, tombol bakal kedhip kanggo narik kawigatosan pangguna.
Produk Application lan spesifikasi
Tancepake tombol Mikro Tipe bisa digunakake kanggo ngontrol cahya, nalika tombol dipencet, cahya bakal diuripake utawa mateni. Uga bisa digunakake kanggo ngontrol ngalih peralatan listrik, kondhisi udara, lan sapiturute ing lapangan industri, tombol push sing akeh digunakake kanggo ngontrol peralatan ing omah.
| Ngalih karakteristik teknis: | |||
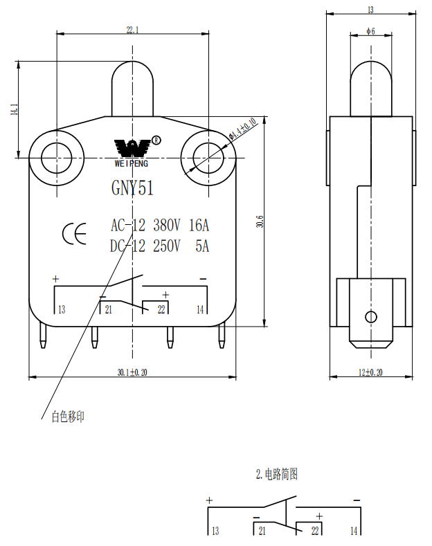
| Item | Parameter teknis | Regane | |
| 1 | Rating Elektronik | 16A 250vac | |
| 2 | Tahan kontak | Nilai awal ≤50mω | |
| 3 | Resistensi insulasi | ≥100mω (500vdc) | |
| 4 |
Dielektrik Voltase |
Antarane terminal sing ora enak |
500v / 0.5ma / 60an |
| Antarane terminal lan pigura logam |
1500V / 0.5ma / 60an | ||
| 5 | Urip listrik | ≥50000 siklus | |
| 6 | Urip mekanik | ≥100000 siklus | |
| 7 | Suhu operasi | -25 ~ 125 ℃ | |
| 8 | Frekuensi operasi | Elektronik: 15 siklus Mekanikal: 60 siklus |
|
| 9 | Bukti getaran | Frekuensi getaran: 10 ~ 55Hz; Amplitude: 1.5mm; Telung arah: 1h |
|
| 10 | Kemampuan Solder: Luwih saka 80% bagean sing dicelupake bakal ditutupi karo solder |
Suhu: 235 ± 5 ℃ Wektu Nyemplungake: 2 ~ 3s |
|
| 11 | Rintangan Kalor Solder | Del Silit: 260 ± 5 ℃ 5 ± 1s Soldering Manual: 300 ± 5 ℃ 2 ~ 3S |
|
| 12 | Persetujuan safety | Ul, CSA, Tuv, CQC, CE | |
| 13 | Kahanan tes | Suhu sekitar: 20 ± 5 ℃ Kelembapan relatif: 65 ± 5% RH Tekanan Udara: 86 ~ 106kpa |
|
Produk Rincian


