Switra lelungan independent Dual minangka komponèn kontrol kanthi otomatis sing dipicu kanthi gerakan mekanik. Fungsi inti yaiku ndeteksi pamindahan utawa stroke obyek kanggo entuk siraman lan nutup sirkuit, wiwitan lan mandheg peralatan, utawa watesan watesan. Iki minangka panglima tumindak sing penting 'lan' tumindak 'sing penting' ing automation industri lan peralatan elektromekanik.
Ngalih IntrodUction
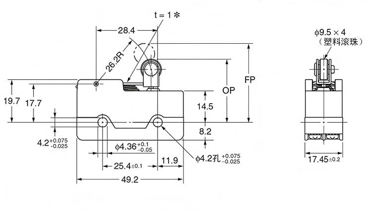
Ngalih lelungan (uga dikenal minangka switch watesan) minangka komponen kontrol kanthi otomatis sing dipicu kanthi gerakan mekanik. Fungsi inti yaiku ndeteksi pamindahan utawa stroke obyek kanggo entuk siraman lan nutup sirkuit, wiwitan lan mandheg peralatan, utawa watesan watesan. Iki minangka panglima tumindak sing penting 'lan' tumindak 'sing penting' ing automation industri lan peralatan elektromekanik.
Ngalih Application
Aplikasi ing Peralatan Rumah ing omah lan Home:
Mesin ngumbah:Ngalih watesan dipasang ing lawang mesin cuci ngarep ngarep. Perangkat kasebut mung bakal diwiwiti nalika lawang ditutup kanthi lengkap lan switch ngaktifake sirkuit, sing nyegah bocor banyu utawa sandhangan sing dibuwang nalika operasi.
Kulkas / Oven:Nalika lawang kulkas ditutup, pemicu switch kanggo mateni lampu interior. Kosok baline, yen lawang oven ora ditutup kanthi aman, saklar bakal ngethok unsur pemanasan kanggo nyegah bocor panas.
Ngalih Rincian
